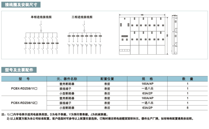
PCBX-RDZ08总控单相八表位电表箱

  • 详细信息